歡迎來(lái)到寧波鄞州順杆機械有限公司(sī)官網!

谘詢熱線

15258226625

聯係人:李經理

絲杆廠家
您當前的位(wèi)置 : 首 頁 > 新聞資訊 > 常見問題

聯係我(wǒ)們Contact Us

寧波市(shì)鄞州順杆機械有限(xiàn)公司

手機號碼(mǎ):15258226625

傳(chuán)      真:0574-88077381

公司(sī)地(dì)址:浙江省寧波市鄞州區薑(jiāng)山鎮陳家團

公司網(wǎng)址:www.sharpman.net

郵箱地址:171455916@qq .com

電動推杆

2024-07-18 12:26:38

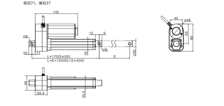
電動推杆是一種借助電機驅(qū)動而實現直線運動的機械(xiè)設備。它的特點(diǎn)是結構簡單(dān)、安裝(zhuāng)方便(biàn)、使用壽命長、維護成本低等。在工業、農業(yè)、醫療、建築等領域都有廣泛的應用。
首先,讓我(wǒ)們(men)來了解一下電動推杆的組成。主要由電機、減速器、推杆、底座、保護裝置等部件組成。其中,電(diàn)機是(shì)電動推杆的核心,它的功率、扭矩和速度決定了整個(gè)電動推杆的(de)表現。
接下來,我們要關注的是電動推杆的安裝。請注意,安(ān)裝前一定要檢查電動推杆的型號、功率與(yǔ)機器是否相匹配,以免造成不必要的損壞。安(ān)裝時,應該注意推杆的垂直方向,並確保螺(luó)栓牢固。
在使用電動推杆時,為了保證安全,請務必遵循以下原則:不要超過電動推(tuī)杆的(de)最大輸出扭矩;不要在電機已過熱的情況下繼續使用;避免長期持續工作,應定期休息和保養。
最後,我們要提醒大家的是,電動推杆的維護非常重要。請定期清潔油杯,保持油位適中,以免影響機(jī)器的性能和壽命。同時,也要注意電機(jī)和減(jiǎn)速器的防潮(cháo)、防塵措施,以確保機器的工作環(huán)境良好。
總之,電動推杆是(shì)一(yī)種實用(yòng)的機械設備,在各個領域都有著廣(guǎng)泛的應用。希望通過(guò)我們的介紹,能讓大家對電(diàn)動推杆有(yǒu)更深入的(de)了解,並合理地使(shǐ)用它。


標簽

曾瀏覽過:

contact us

聯係我們

手機:15258226625 李經理

傳真:0574-88077381

QQ: 171455916

郵箱:171455916@qq .com

地址:浙江(jiāng)省寧波(bō)市鄞州(zhōu)區薑山鎮陳家團


contact us

聯係我們

多頭蝸杆多頭蝸杆
    關注微信公眾號掃一掃,微信谘詢
91视频入口_91视频官网_91视频网址_www.91视频.com